Skip to main content

Drive Production with SOPKO Wheelhead & Motor Pulleys

Heald Read Head Wheelhead & Motor Pulleys. For Flat Belt and Poly-Vee® belt styles

SOPKO Wheelhead & Motor Pulleys

Durable, precision ground pulleys built for New Style Heald Cross Groove Flat Belt and 10 or 16 Groove "J" Section Poly-V Belt. Also available for Old Style Heald Flat Belt and 10 or 16 Groove "J" Section Poly-V Belt. 

NEW

New Style Heald Pulleys

New Style Heald Flat Belt Wheelhead Pulleys DrawingFlat Belt

New-Style-Heald-Groove-J-Section-Poly-V-Wheelhead-Pulleys

Poly-V Grooved Belt

OLD

Old Style Heald Pulleys

Old-Style-Flat-BeltFlat Belt

Old-Style-Grooved-BeltPoly-V Grooved Belt

 

ACC

Pulley Accessories

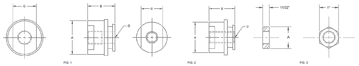
Heald-Flat-Belt-Motor-Pulleys_figures

Flat Belt Motor Pulley

Heald-J-Section-Poly-V-Motor-Pulleys_figures

Poly-V Belt Motor Pulley

Mounting-BoltsJam-Screws

Nuts-for-Old-Style-Heald

Mounting Bolts, Jam Screws, & Nuts

Ready to Order Your SOPKO Heavy Metal Quill?

Share your quill type, measurements, and material requirements. Our team will help you select or custom-manufacture the perfect quill for your grinding application.